Ingénierie Électronique : De la Réparation à l'Intelligence Artificielle

Passionné par l'interaction entre le monde physique et le code, j’interviens sur l’ensemble de la chaîne technique : de la renaissance d'équipements industriels condamnés à la conception de systèmes robotisés intelligents.

Mon approche repose sur trois piliers :

La pérennité : HARDWARE DIAGNOSTIC INDUSTRIEL

Redonner vie à des systèmes industriels condamnés grâce à une approche pragmatique. En privilégiant le diagnostic composant et l'adaptation technique (rétro-fit) plutôt que le remplacement standard, je transforme des rebuts en solutions opérationnelles à moindre coût.

L'innovation utile : ROBOTIQUE CONCEPTION PROTOTYPAGE

des solutions robotiques pratiques répondant à des problématiques réelles.

L'agilité numérique : SOFTWARE PYTHON IA

Intégrer les dernières avancées logicielles, comme l'IA et Python, pour rendre le hardware plus intelligent. Découvrez ci-dessous une sélection de mes travaux, illustrant ma polyvalence et ma rigueur technique.

Machine a glacons en réparation
INDUSTRIEL

Récupération d'une machine à glacons condamnée

Problème : La carte mere ne gère plus l'alimentation en eau.

Solution : Séparer la gestion de l'eau de la carte mere et la confier à une autre carte provenant d'une...machine à café.

Détails techniques (Explications, Schémas...)

La gestion de l'alimentation en eau de la machine à glaçons Wessamat et exécuté par le microcontrôleur de la carte mère. N'ayant pas accès au programme du microcontrôleur il fallait remplacer la carte complète. Mais je me suis rendu compte que l'absence d'eau ne bloquait pas le cycle. Je pouvais donc débrancher la sonde et gérer l'alimentation en eau séparément.

Schéma de cablage d'un RL30

Pas la peine de se casser la tête à construire un détecteur d'eau j'avais sous la main un RL30 Gicar de récupération. il suffisait de connecter le 220V aux deux premières broches, ensuite la sonde ( broche 3 )et le châssis du réceptacle d'eau ( broche 5 ) enfin l'électro électrovanne d'entrée d'eau connectée à la broche EV. En 30 minutes, la machine du client était sauvée.

⚠️ Projet réalisé sur matériel personnel. ⚡ Reproduction à vos risques.

Schémas et illustrations : CC BY 4.0.

Montage Arduino pour l'automatisation de l'arrêt d'une machine à café
ROBOTIQUE

Automatisation de l'arrêt d'une machine à café

Problème : Un appui manuel lance la production du café et un second appui est nécessaire pour l'arrêter donc 30 sec perdues / café.

Solution : Utiliser un Arduino Nano pour stopper le café automatiquement quand la tasse est remplie.

Détails techniques (Code, Schémas...)

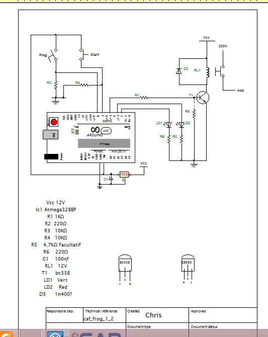
Ce module est destiné aux machine à café utilisant des pastilles, type Senseo, ou Frog dans ce cas ci. Il permet d'éteindre la machine automatiquement lorsque la tasse à café est remplie. Je ne voulais pas casser l'esthétique de la machine, donc un boîtier externe était exclu, il fallait tout encastrer dans l'espace réduit de la carrosserie.

Pour ce faire : le bouton " prog " met la machine en mode programmation. Lorsqu'il est enclenché, l'appui sur le bouton " Start " enclenche la pompe à eau, l'électrovanne et la tasse se rempli tant que le bouton est enfoncé. Le micro controleur enregistre le temps nécessaire pour remplir une tasse. Mettez le bouton " prog " en off pour sortir du mode programmation. Maintenant, chaque impulsion sur le bouton " Start " fera couler l'eau pendant un temps identique au temps programmé et arrêtera le débit de café automatiquement. Vous ne devez plus attendre devant la machine.

Schéma de la carte électronique et de son cablage

J'ai utilisé :

- Un arduino nano ( un arduino Uno est dessiné sur le chéma mais ça ne change rien). Sur la version de base de la machine, deux boutons non utilisés sont disponibles sur la face avant. Ils serviront de boutons Prog et Start.

- Le 12V est prélevé sur le circuit de la machine et réduit à 5V par un 7805 pour pouvoir utiliser une carte nano.

- Un transistor BC338 pilote un relais 5V pour actionner la pompe et l'électrovanne.

Limites : Ce procédé manque de précision. les variations de tension sur le réseau électrique peuvent influencer le débit d'eau. Il serait préférable d'utiliser un compteur volumétrique mais la place nécessaire n'est pas suffisante.

Code est fourni sous licence MIT. Schémas et illustrations : CC BY 4.0.

⚠️ Projet réalisé sur matériel personnel. ⚡ Reproduction à vos risques.

L'AquaTimer en cours de montage sur mon établi
CONCEPTION

AquaTimer : L'Eau Chaude Zéro Gâchis

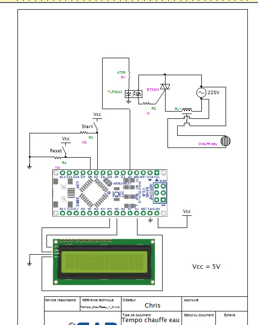
Problème : Éliminer les pertes thermiques statiques d'un chauffe-eau de 150L.

Solution : Développement d’un automate à microcontrôleur pilotant un relais de puissance pour substituer la chauffe continue par un déclenchement manuel temporisé.

Détails techniques (Code, Schémas...)

Dans une installation sanitaire classique, le chauffe-eau électrique (cumulus) est conçu pour une disponibilité immédiate et constante. Cependant, cette conception se heurte souvent à une réalité d'usage intermittente, voir inexistante pendant mes absences, générant un gaspillage énergétique invisible mais réel. Mon installation repose sur un ballon de 150L dont la régulation est assurée par un thermostat bilame ( principe de "tout ou rien"). Dès que la température de l'eau descend sous un seuil, la résistance s'active pour compenser les pertes. L'énergie de maintien est superflue.

Le dysfonctionnement ne vient pas de l'appareil, mais de l'inéquation entre la consigne de chauffe et le besoin réel : Sur-stockage thermique : L'eau est maintenue à une température élevée, nécessitant systématiquement l'ajout d'eau froide au point de puisage pour obtenir une température de confort. Inertie inexploitée : Grâce à l'isolation de la cuve, l'eau conserve une chaleur exploitable pendant plusieurs jours après une chauffe initiale.

Le gisement d'économie réside dans la suppression du maintien constant. Au lieu de lutter contre le refroidissement naturel du ballon, l'idée est de laisser la dérive thermique s'opérer. En fin de cycle de refroidissement, l'eau atteint naturellement une température "directement utilisable" sans mélange, évitant ainsi de consommer l'électricité nécessaire au maintien de calories qui finiraient, de toute façon, par être diluées.

L'AquaTimer fini sur le chauffe-eau

J'ai utilisé :

- Un arduino nano. - LCD I²C 2x16 pour l'écran. - opto triac TLP3043 pour isoler le circuit de la haute tension. - Triac BTA204 pour piloter un relais de puissance.

Le chauffe eau est normalement éteint. Lorsque j'actione le bouton poussoir " Start", l'arduino nano enclenche le relais qui active le chauffe eau pendant une durée que j'ai déterminée à 2 heures. Pendant ce temps, l'afficheur indique le nombre de minutes et de secondes restantes. Une nouvelle action sur " Start " ajoutera 2 heures au temps restant à chauffer. Un bouton reset est prévu pour remettre le compteur temps à 0 et éteindre le chauffe eau.

Code est fourni sous licence MIT. Schémas et illustrations : CC BY 4.0.

affichage LCD de l'Aquatimer

⚠️ Projet réalisé sur matériel personnel. ⚡ Reproduction à vos risques.

capture d'écran de notification d'e-mail sur smartphone
SOFTWARE

Automatisation du tri des offres d`emploi / python + AI

Problème : La pollution numérique générée par la redondance des alertes emploi, où l'accumulation de doublons rend la recherche fastidieuse et chronophage.

Solution : Un pipeline intelligent en Python qui intercepte les flux d'e-mails, analyse le contenu via l'IA pour identifier les similarités sémantiques, et ne restitue que les opportunités inédites.

Détails techniques (Fonctionnement, Code...)

Prérequis et Contraintes

Environnement : Windows 10.

Messagerie source : GMX (via protocole IMAP).

Contrainte économique : Budget de 0€. Utilisation exclusive d'outils Open Source et de bibliothèques Python gratuites (sans clés API payantes comme OpenAI).

Temporalité : Projet réalisé en 2023.

Fonctionnement :

Étape 1 : Extraction et préparation des données (Python) Le script Python se connecte au serveur GMX pour extraire les e-mails ciblés. Pour contourner les limitations de lecture directe des flux par certaines IA gratuites de l'époque, le script automatise la conversion des e-mails en fichiers PDF. Cette étape garantit une base de données textuelle stable et consultable.

Étape 2 : Analyse et déduplication sémantique par NotebookLM. Les PDF générés seront téléchargés vers l'intelligence artificielle pour être analysés et triés.

Le code est fourni sous licence MIT.

L'exécution du script est visible dans le terminal de l'invite de commande. Dans la messagerie gmx.com (ici)les e-mails provenant d'une organisation gouvernementale et d'une agence privée sont placés dans un dossier nommé "A traiter". Le script va nettoyer les fichiers du dossier "A partager"sur le bureau de Windows 10. Nous verrons pourquoi plus tard. Il va ensuite se connecter et récupérer les e- mails. Les données d'identification sont conservées dans un fichier credential.json afin de les garder secrètes. Les agences envoient des e-mails en texte brut et en HTML. Ils seront donc traités différemment dans le but d'être convertis en PDF. Les sujets des e-mails étant souvent identiques, et afin que l'IA puisse les identifier, la date de l'e-mail sera introduite dans le nom du fichier pdf créé. Afin de pouvoir accéder aux offres d'emploi, les liens contenus dans les e-mails seront conservés. Étant donné que "gmx" utilise "deref-gmx.com" pour modifier les liens, une fonction se chargera de récupérer les liens originaux. Pour retrouver facilement les nouveaux fichiers PDF, ils seront stockés dans un dossier nommé " A partager " sur le bureau. C'est la raison pour laquelle le dossier "A partager" est nettoyé par le script au début du processus. Après traitement, les e-mails seront placés dans la corbeille de la messagerie. L'IA : lire des fichiers PDF et supprimer les doublons est une fonction basique pour n'importe quelle IA. Pour que l'IA puisse accéder aux fichiers, il faut les télécharger et à ce jour seul l'outil de Google "notebooklm" permet de le faire gratuitement. https://notebooklm.google.com/

Dans "notebooklm" je crée un espace de travail pour l'agence gouvernementale dans lequel je détermine les fichiers PDF de cette agence comme les sources. Dans la discussion, j'introduis le prompt suivant : "Compare les nouveaux fichiers par rapport au plus ancien pour trouver les nouvelles offres. Pour ce faire, utilise les dates stipulées dans les noms de fichier. Utilise les numéros de référence pour identifier les offres. Ne me donne pas les détails de la comparaison mais seulement le titre de l'offre et la date de son fichier."

Je crée dans `notebooklm` un autre espace de travail de la même manière. Dans la discussion, j`introduit un prompt différent comme suit: "Compare les nouveaux fichiers par rapport au plus ancien pour trouver les nouvelles offres. Pour ce faire, utilise les dates stipulées dans les noms de fichier. Utilise le lien internet contenu dans l`offre pour identifier les offres. Ne me donne pas les détails de la comparaison mais seulement le titre de l`offre et la date de son fichier."

Conclusions :

Dans les résultats renvoyés par l'IA, les doublons sont éliminés, et les liens conservés permettent de consulter les offres via le navigateur Ce procédé fonctionne sans erreur dans mon environnement. C'est simple et fait gagner un temps précieux.

Limites : une annonce qui aurait été placée avant la date du premier fichier fourni à l'IA ne sera pas détectée.

⚠️ Ce projet est partagé à des fins éducatives et de démonstration technique. L'auteur ne peut être tenu responsable de toute perte de données ou interruption de service liée à l'utilisation du script sur un environnement tiers.

capture d'écran de la réponse de l'IA à mes prompts
Retour à l'accueil